Zanotti Made in Italy
MADE IN ITALY
Zanotti on italialainen valmistaja, joka on valmistanut koneita maataloudelle jo yli 100 vuotta. Yrityksen laaja kokemus ja uudenaikaiset CNC-koneet mahdollistavat korkealaatuisten koneiden valmistuksen kilpailukykyiseen hintaan.
 
 
ZANOTTI-LAJITTELIJAT
Pre Cleaner M/10

PRE-CLEANER M/10


Varustettu kahdella vaihdettavalla seulalla: ensimmäinen seula erottelee isoimmat epäpuhtaudet ja toinen seula erottelee pienemmät siemenet; varustettu imurilla kevyille epäpuhtauksille.

  • PITUUS 1100 mm
  • LEVEYS 650 mm
  • KORKEUS 1300 mm
  • MOOTTORI 1,5 hv
  • PAINO 150 kg
  • TEHO (riisi) 500 kg/h
  • TEHO (vehnä) 1000 kg/h
  • TEHO (maissi) 1000 kg/h

    Rice Mill

    RICE MILL MODEL A-250 A-800 A-1000

    PUHDISTAA JA KIILLOTTAA SAMALLA KÄYTTÖKERRALLA.

    EROTTELEE JA KIILLOTTAA TAUOTTA. EROTTELEE KUOREN, AKANAT JA RIKKINÄISEN RIISIN.

    SUOMESSA KONETTA ON KÄYTETTY MENESTYKSELLÄ OHRAN, KAURAN, SPELTIN JA TATTARIN KUORINTAAN.


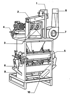
    Rice Mill

    1. viljasuppilo
    2. isojen roskien erottelija
    3. kumirullat
    4. kumirullien säätö
    5. kiillotuskivi
    6. kiillotuskiven säätö
    7. kuoren erottelija
    8. kuoren ulostulo
    9. valkoisen riisin ulostulo
    10. leseen ulostulo
    11. rikkoutuneen valkoisen riisin erottelija






  • Zanotti Katso tarkemmin Zanotin kotisivuilla osoitteesssa www.zanotti-riso.it



    Myynti suoraan maahantuojalta

    ENERGIANSÄÄSTÖ OY

    Jantoniementie 167,   08350 LOHJA

    019-338164   /   0500-316119
    aro@energian.net